[View 41+] Battery Charging Automatic 12v Battery Charger Circuit Diagram Pdf
Download Images Library Photos and Pictures. 12v Automatic Charger Auto Cut Off 3 Steps With Pictures Instructables Automatic Battery Charger Circuit Projects Eleccircuit Com 12v 100ah Battery Charger Circuit Auto Turn Off Battery Charger Full Circuit Diagram With Explanation
. Automatic 12v Portable Battery Charger Circuit Using Lm317 Automatic 12v Portable Battery Charger Circuit Using Lm317 12v Battery Charger Circuit With Auto Cut Off Docx
Simple 12 Volt Charger Circuit
Simple 12 Volt Charger Circuit
Switchmode Lead Acid Battery Charger Uc3845 Smps 12v 6v 50a Electronics Projects Circuits
12v Automatic Charger Auto Cut Off 3 Steps With Pictures Instructables
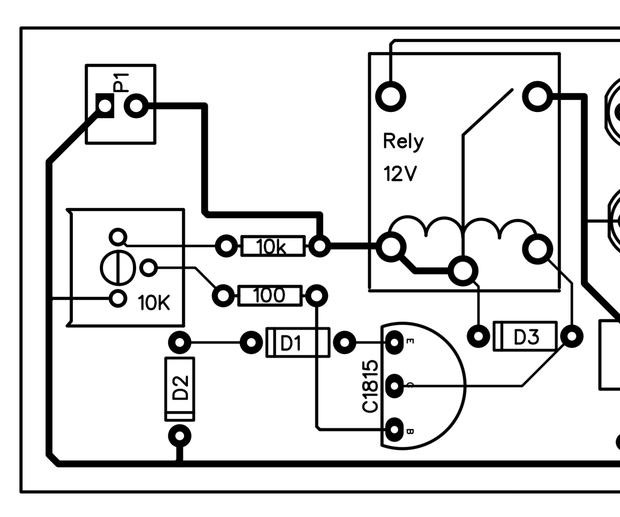
12v Battery Charger 12v Battery Charger With Auto Cut Off Circuit Diagram
12v 100ah Battery Charger Circuit Diy Electronics Projects
Battery Charger Circuits Circuitdiagram Org
100 Battery Charger Circuit Ideas Battery Charger Circuit Circuit Electronics Circuit
12 Volt Battery Charger Circuit Diagram Pdf
Automatic Charger Circuit For Any Battery Auto Cut Off Battery Charger Jlcpcb Youtube
12v 100ah Battery Charger Circuit
Battery Charger Circuit Make A 12v Battery Charger At Home
12 V Battery Charger With Overcharge And Deep Discharge Protecting
12v Battery Charger 12v Battery Charger With Auto Cut Off Circuit Diagram
12v 7ah Smart Battery Charger With Pcb Diagram Engineering Projects
Automatic Battery Charger Circuit Mindsforest
Lead Acid Battery Charger Circuit
12v Lead Acid Battery Charger Circuit Engineering Projects
12v Solar Inverter Battery Charger
12v Battery Charger Circuit With Auto Cut Off Docx
Automatic 12v Battery Charger Circuit Diagram Pdf A1bccdp301119rb
1a 10a Adjustable Battery Charging Circuit 100ah Electronics Projects Circuits
24v Lead Acid Battery Charger Circuit
12v Battery Charger Circuit Diagram Using Lm317 12v Power Supply
Automatic Battery Charger Circuit Projects Eleccircuit Com
9 Simple Solar Battery Charger Circuits Homemade Circuit Projects

Comments
Post a Comment